Digital intelligent panel meter is suitable for measuring and displayingelectrical
parameters of current, voltage,power,frequency in electric grid, automation systems
. Set the rate through the panel, visual display system of a side operating point
parameters. The meters with high accuracy, good stability, resistance to
vibration, etc., candirectly replace the original pointer meter
|
Spread Angle
|
Model
|
Overall dimensions - depth
|
The size of hole
|
The amount limit specifications
|
Access instructions
|
G(Wide Angle)
240°~270°
|
FKG96-ACV-96
|
96X96-1018
|
92X92
|
±500uA
0~500mA
0~30A
|
Direct input
|
|
FKG96-DCV-96
|
|
FKG96-ACA-96
|
|
FKG96-DCA-96
|
|
FKG72-ACV-72
|
72X72-108
|
68X68
|
|
FKG72-DCV-72
|
|
FKG72-ACA-72
|
|
FKG72-DCA-72
|
0~1000A
0~10KA
|
The current transformer CT access(The secondary current is 5A、1A、0.5A)
|
Z(Right Angle)
90°C
|
FKZ96-ACV-96
|
96X96-65
|
92X92
|
|
FKZ96-DCV-96
|
|
FKZ96-ACA-96
|
|
FKZ96-DCA-96
|
|
FKG72-ACV-72
|
72X72-65
|
68X68
|
|
FKZ72-DCV-72
|
0~75mV
0~1000V
|
Direct input
|
|
FKZ72-ACA-72
|
|
FKZ72-DCA-72
|
G(Wide Angle)
240°~270°
|
FKG110-ACV-110
|
110×110-95
Fixed hole spacing for 90
|
Φ101
Fixed hole spacing for Φ6
|
|
FKG110-DCV-110
|
|
FKG110-ACA-110
|
|
FKG110-DCA-110
|
0~100KV
|
The current transformer CT access
|
|
FKG80-ACV-80
|
80×80-105
Fixed hole spacing for 64
|
Φ71
Fixed hole spacing for Φ5
|
|
FKG80-DCV-80
|
|
FKG80-ACA-80
|
|
FKG80-DCA-80
|
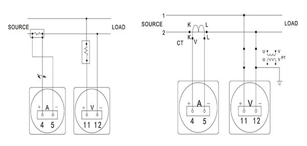
Directions for use:
1.For ac/dc current voltage measurement.
2.The user should be in ordering model, specification, and indicate in the contract and confirmation.
3.Instrument can take 4-20 ma analog output function, analog output accuracy level of 1%.
Attention:Non-electricity indicating instrument is refers to the input of the power signal from a sensor or control instrument output and work instrument, used to indicate the battery (such as temperature, pressure, flow rate, rotational speed, rudder Angle, etc.) of the measured values, its scale value can be °C、Pa(kpa)、kg/m2、m3/S、r/min(rpm)、° etc.Can also be used as a secondary indicator instrument, its scale value for: Hz,COSΦ、W、kW、MW、Var、Mvar、MΩ(JDB) etc;
2:Specifications beyond limit of the meter, instrument need to cross the red line at set point and zero in the middle of the scale by two-way indicator instrument, when ordering, please.
3.Dc ammeter is greater than 20 a need outside with fixed value shunt, outside with constant value resistor does not belong to product of attachments, to another order.
|
