Digital intelligent panel meter is suitable for measuring and displayingelectrical
parameters of current, voltage,power,frequency in electric grid, automation systems
. Set the rate through the panel, visual display system of a side operating point
parameters. The meters with high accuracy, good stability, resistance to
vibration, etc., candirectly replace the original pointer meter
|
Spread Angle
|
Model
|
Overall
dimensions - depth
|
The size
of hole
|
The amount limit specifications
|
Access
instructions
|
G(Wide Angle)
240°~270°
|
FKG96-W
|
96X96-108
|
92X92
|
800-2000W
|
Direct input
|
|
FKG96-Var
|
|
FKG72-W
|
72X72-108
|
68X68
|
0.8-3000KW
|
The current/voltage
transformer
CT/PT access(Secondary
current/voltage5A/100V)
|
|
FKG72-Var
|
Z(Right Angle)
90°C
|
FKZ96-W
|
96X96-65
|
92X92
|
1-6000MW
|
|
FKZ96-Var
|
|
FKZ72-W
|
72X72-658
|
68X68
|
600-1500Var
|
Direct input
|
|
FKZ72-Var
|
G(Wide Angle)
240°~270°
|
FKG110-W
|
110×110-95
Fixed hole
spacing for 90
|
Φ101
Fixed hole
spacing for Φ6
|
1-3000Kvar
|
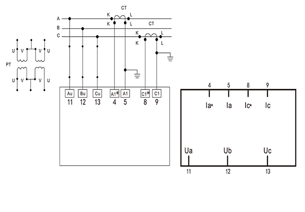
The current/voltage
transformer
CT/PT access(Secondary current/
voltage5A/100V)
|
|
FKG110-Var
|
|
FKG110-W
|
80×80-105
Fixed hole
spacing for 64
|
Φ71
Fixed hole
spacing for Φ5
|
1-5000Kvar
|
|
FKG110-Var
|
Directions for use:
1.According to user needs to cross the red line on the set value, or made with red set data pointer instrument.
2.According to user needs tailored to 10~20 reverse power calibration.
3.For active power and reactive power measurement.
|