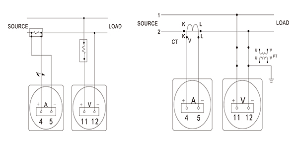
FKZ96-ACA-96