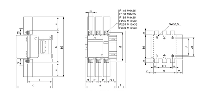
LC1-F1854